一、背景
自2024 年 12 月 28 日起,欧盟修订后的无线电设备指令(2022/2380)开始实施,该法规要求为商品配备符合EN IEC 62680-1-3:2022标准的USB Type-C端口、为消费者提供购买不带充电器商品的选择(如果商品也提供充电器)、在商品标签和在线商品信息中显示象形图,表示商品是否提供充电器以及充电设备兼容的额定功率等信息。
二、法规要求
适用商品范围与法规解读可参考卖家课堂:
1、实物标签要求
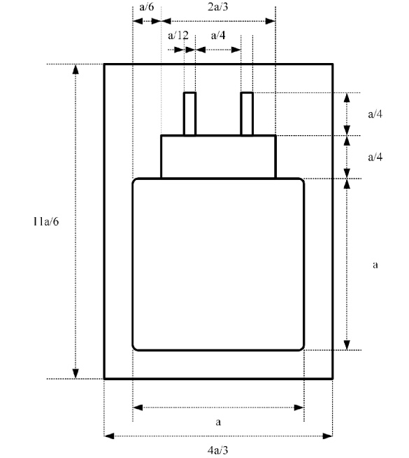
1.1、售卖的无线电商品配备了USB Type-C充电器
如果适用范围内的无线电设备配备USB Type-C充电器,则应在包装上展示产品配有充电器的象形图,参考示例图如下:
注:
图示中尺寸“a”应大于或等于7毫米。图示中“a”仅用于更清楚地展示象形图得长度、宽度和高度的比例,非象形图本身元素。
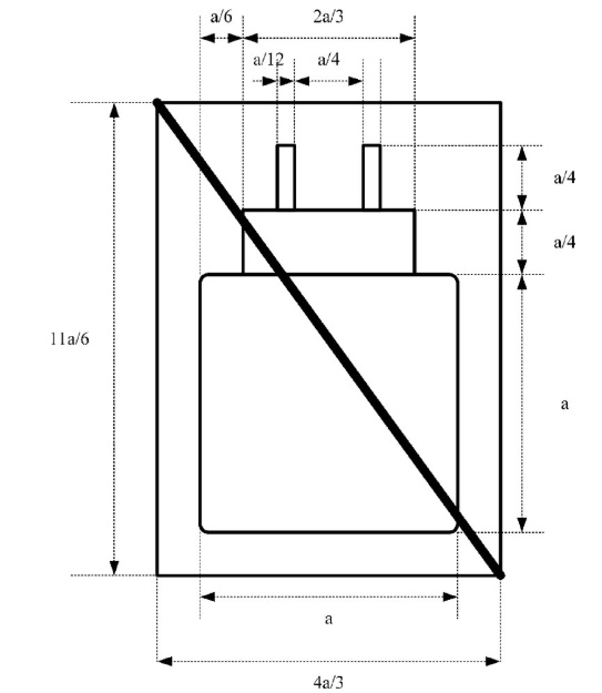
1.2、售卖的无线电商品未配备了USB Type-C充电器
如果适用范围内的无线电设备未配备USB Type-C充电器,则应在包装上展示产品未配有充电器的象形图,参考示例图如下:
注:
图示中尺寸“a”应大于或等于7毫米。图示中“a”仅用于更清楚地展示象形图得长度、宽度和高度的比例,非象形图本身元素。
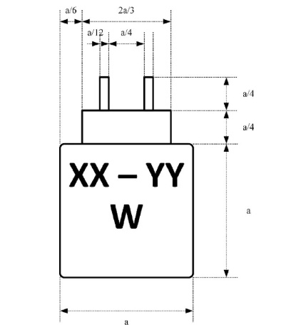
1.3、售卖的无线电商品不支持USB PD快充
如果适用范围内的无线电不支持USB PD快充,需要在包装上展示充电所需的最小和最大功率的标签信息,展示方式如下:
注:
①示例图中的字母“XX”应替换为无线电设备充电所需最小功率对应的数字,字母“YY”应替换为无线电充电所需最大充电功率对应的数字,“W”代表功率单位瓦特。最小最大功率要与“商品属性”中的最小额定功率和最大额定功率保持一致;
②图示中尺寸“a”应大于或等于7毫米。图示中“a”仅用于更清楚地展示象形图得长度、宽度和高度的比例,非象形图本身元素。
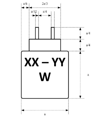
1.4、售卖的无线电商品支持USB PD快充
如果适用范围内的无线电支持USB PD快充,需要在包装上展示充电所需的最小和最大功率以及“USB PD”字样的标签信息,展示方式如下:
注:
①示例图中的字母“XX”应替换为无线电设备充电所需最小功率对应的数字,字母“YY”应替换为无线电充电所需最大充电功率对应的数字,“W”代表功率单位瓦特。最小最大功率要与“商品属性”中的最小额定功率和最大额定功率保持一致;
②图示中尺寸“a”应大于或等于7毫米。图示中“a”仅用于更清楚地展示象形图得长度、宽度和高度的比例,非象形图本身元素。
2、纸质说明书和电子说明书中需展示相关信息
2.1、售卖的无线电商品不支持快充
需在说明书中同时展示2.1.1和2.1.2中的内容。
2.1.1、不支持快充–说明书象形图
注:
①字母“XX”应替换为无线电设备充电所需最小功率对应的数字,字母“YY”应替换为无线电充电所需最大充电功率对应的数字。最小最大功率要与“商品属性”中的最小额定功率和最大额定功率保持一致;
②图示中尺寸“a”应大于或等于7毫米。图示中“a”仅用于更清楚地展示象形图得长度、宽度和高度的比例,非象形图本身元素;
2.1.2、不支持快充–说明书内容
对于不支持USB PD快充的无线电设备,应在说明书中描述可与其一起使用的有线充电装置的功率要求,包括为无线电设备充电所需的最小功率,以及为无线电设备充电所需的最大功率。不同语言版本的参考示例如下:
1、英语
the power delivered by the charger must be between min [XX] Watts required by the radio equipment, and max [YY] Watts in order to achieve the maximum charging speed.
2、德语
Die Leistung des Ladegeräts muss von einer von der Funkanlage benötigten Mindestleistung von [XX] Watt bis zu einer zum Erreichen der maximalen Ladegeschwindigkeit benötigten Höchstleistung von [YY] Watt reichen
3、意大利语
La potenza fornita dal caricabatteria deve essere tra min [XX] watt richiesta dall’apparecchiatura radio e max [YY] watt per raggiungere la massima velocità di ricarica
4、西班牙语
La potencia suministrada por el cargador debe ser de entre un mínimo de [XX] vatios requeridos por el equipo radioeléctrico y un máximo de [YY] vatios a fin de alcanzar la máxima velocidad de carga
5、捷克语
příkon dodávaný nabíjecím zařízením musí být mezi minimálně [XX] watty požadovanými rádiovým zařízením a maximálně [YY] watty nezbytnými k dosažení maximální rychlosti nabíjení
6、波兰语
Moc dostarczana przez ładowarkę musi wynosić między minimalnie [XX] W wymaganych przez urządzenie radiowe a maksymalnie [YY] W, aby osiągnąć maksymalną prędkość ładowania
7、荷兰语
Het door de lader geleverde vermogen moet tussen minimaal [XX] watt (zoals vereist door de radioapparatuur) en maximaal [YY] watt liggen om de maximale oplaadsnelheid te bereiken
8、瑞典语
Den effekt som levereras av laddaren måste ligga mellan minst [XX] watt och maximalt [YY] watt, vilket krävs för att ladda radioutrustningen i högsta laddningshastighet
9、希腊语
η ισχύς που παρέχεται από τον φορτιστή πρέπει να είναι μεταξύ [XX] βατ (ελάχιστη) που απαιτείται από τον ραδιοεξοπλισμό και [XX] βατ (μέγιστη) για την επίτευξη της μέγιστης ταχύτητας φόρτισης
10、丹麦语
Opladerens effekt skal være mellem minimum [XX] W, som radioudstyret kræver, og maksimalt [YY] W for at opnå maksimal opladningshastighed
11、匈牙利语
a töltő által szolgáltatott teljesítménynek a rádióberendezés működtetéséhez szükséges minimum [XX] watt és a maximális töltési sebesség eléréséhez szükséges maximum [YY] watt között kell lennie
12、法国语
La puissance fournie par le chargeur doit être entre, au minimum, [XX] Watts requis par l’équipement radioélectrique et, au maximum, [YY] Watts pour atteindre la vitesse de chargement maximale
注:
请展示符合销售目的国家/地区语言要求的说明书信息;
字母“XX”应替换为无线电设备充电所需最小功率对应的数字,字母“YY”应替换为无线电充电所需最大充电功率对应的数字。
2.2、售卖的无线电商品支持USB PD快充
需在说明书中同时展示2.2.1和2.2.2中的内容。
2.2.1、支持USB PD快充–说明书象形图
注:
①字母“XX”应替换为无线电设备充电所需最小功率对应的数字,字母“YY”应替换为无线电充电所需最大充电功率对应的数字。最小最大功率要与“商品属性”中的最小额定功率和最大额定功率保持一致;
②图示中尺寸“a”应大于或等于7毫米。图示中“a”仅用于更清楚地展示象形图得长度、宽度和高度的比例,非象形图本身元素;
2.2.2、支持USB PD快充–说明书内容
对于支持USB PD快充的无线电设备,应在说明书中描述可与其一起使用的有线充电装置的功率要求,包括为无线电设备充电所需的最小功率,以及为无线电设备充电所需的最大功率。不同语言版本的参考示例如下:
1、英语
USB PD fast charging
the power delivered by the charger must be between min [XX] Watts required by the radio equipment, and max [YY] Watts in order to achieve the maximum charging speed.
2、德语
Schnellladefähig über USB-PD
Die Leistung des Ladegeräts muss von einer von der Funkanlage benötigten Mindestleistung von [XX] Watt bis zu einer zum Erreichen der maximalen Ladegeschwindigkeit benötigten Höchstleistung von [YY] Watt reichen
3、意大利语
Ricarica rapida USB PD
La potenza fornita dal caricabatteria deve essere tra min [XX] watt richiesta dall’apparecchiatura radio e max [YY] watt per raggiungere la massima velocità di ricarica
4、西班牙语
Carga rápida mediante USB PD
La potencia suministrada por el cargador debe ser de entre un mínimo de [XX] vatios requeridos por el equipo radioeléctrico y un máximo de [YY] vatios a fin de alcanzar la máxima velocidad de carga
5、捷克语
rychlé nabíjení USB PD
příkon dodávaný nabíjecím zařízením musí být mezi minimálně [XX] watty požadovanými rádiovým zařízením a maximálně [YY] watty nezbytnými k dosažení maximální rychlosti nabíjení
6、波兰语
Szybkie ładowanie USB PD
Moc dostarczana przez ładowarkę musi wynosić między minimalnie [XX] W wymaganych przez urządzenie radiowe a maksymalnie [YY] W, aby osiągnąć maksymalną prędkość ładowania
7、荷兰语
USB PD fast charging
Het door de lader geleverde vermogen moet tussen minimaal [XX] watt (zoals vereist door de radioapparatuur) en maximaal [YY] watt liggen om de maximale oplaadsnelheid te bereiken
8、瑞典语
USB PD-snabbladdning
Den effekt som levereras av laddaren måste ligga mellan minst [XX] watt och maximalt [YY] watt, vilket krävs för att ladda radioutrustningen i högsta laddningshastighet
9、希腊语
ταχεία φόρτιση USB PD
η ισχύς που παρέχεται από τον φορτιστή πρέπει να είναι μεταξύ [XX] βατ (ελάχιστη) που απαιτείται από τον ραδιοεξοπλισμό και [XX] βατ (μέγιστη) για την επίτευξη της μέγιστης ταχύτητας φόρτισης
10、丹麦语
USB PD hurtig opladning
Opladerens effekt skal være mellem minimum [XX] W, som radioudstyret kræver, og maksimalt [YY] W for at opnå maksimal opladningshastighed
11、匈牙利语
USB-PD gyorstöltés
a töltő által szolgáltatott teljesítménynek a rádióberendezés működtetéséhez szükséges minimum [XX] watt és a maximális töltési sebesség eléréséhez szükséges maximum [YY] watt között kell lennie
12、法语
charge rapide par alimentation électrique par port USB
La puissance fournie par le chargeur doit être entre, au minimum, [XX] Watts requis par l’équipement radioélectrique et, au maximum, [YY] Watts pour atteindre la vitesse de chargement maximale
注:
请展示符合销售目的国家/地区语言要求的说明书信息;
字母“XX”应替换为无线电设备充电所需最小功率对应的数字,字母“YY”应替换为无线电充电所需最大充电功率对应的数字。
相关参考链接:
【内容仅供参考,不构成任何法律意见或建议】
【结束】







